ZUS6000示波器在無線充電測試中的應用:高精度功率測量與相位校準方案
2025-03-14
無線充電技術介紹:無線電能傳輸原理與優勢
無線電能傳輸技術是以電磁場理論為基礎,利用兩個或多個具有相同諧振頻率、高品質因數的電磁系統,當其處于諧振狀態時彼此之間發生強烈的能量交換,從而通過振蕩源周圍空間電磁場實現能量的高效率傳輸的一種新技術。
無線充電與有線充電相比,有以下明顯優勢,有線充電因為是需要線路連接,有接插頭,接插頭容易產生火花、漏電風險;硬件存在易磨損,觸電易發熱,起火等隱患;電壓等級、電流等級受到線纜限制因而影響充電功率,并且需要硬件設備,方便性較差。而無線充電便于靈活移動,自動化程度可以更高,而且沒有物理接口不會存在因物理接口帶來的風險和隱患,此外電壓、電流、功率等級可以更高,環境適應性也會更強。
無線充電技術分類:感應耦合、近場諧振、電場耦合、電磁輻射
無線充電在不同應用場景下,也有對應不同的技術分類,我們總結了當前無線充電技術的主要分類如表1所示,可以分為四類,感應耦合方式、近場諧振方式、電場耦合方式、電磁輻射方式。每種方傳輸功率、工作頻率、傳輸距離各不相同,應用也各有差異。比如感應耦合傳輸距離在50cm以內,傳輸功率范圍10W~1MW,比較適合當前手機、汽車等的無線充電應用。
表1 無線充電技術分類
無線充電測試內容與難點:功率因數與相位延時誤差
無線充電越來越多的被應用在各個場合,無線充電的測試要求也越來越高。無線充電的測試項目包括:
1、輸入特性: 輸入電壓和頻率測試、輸入功率測試、輸入功率因數測試、輸入電流諧波限值測試等;
2、輸出特性: 直流輸出電壓誤差測試、直流輸出電流電流測試、輸出電壓響應測試等;
3、互操作特性: WPT系統無偏移條件下的效率測試、WPT系統有偏移條件下的效率測試等;
4、高頻特性: 電壓響應、輸出波形上升、下降時間測試、線圈參數、線圈電壓等;
5、安全特性: 接觸電流、絕緣電阻、絕緣強度、長期穩定性測試等;
在眾多的測試項目中,最難測試的是無線部分的功率傳輸,我們先來看表2。
表2 不同功率因數延時誤差對比
我們可以發現,頻率相同情況下,功率因數越低,延時誤差要求越高;功率因數相同的情況下,頻率越高,延時誤差要求越高。如85KHz情況下,功率因數為0.2時,1%精度的延時誤差為3.59ns,而我們常用的電流傳感器在測試85KHz信號時,原邊信號與副邊信號相位差可能都大于3.59ns,所以測試設備必須具備相位校準功能,否則根本無法準確測試無線端的功率和效率。
ZUS6000示波器的應用優勢:12bit高精度+5GSa/s采樣率
根據上述內容,我們知道,要實現高頻信號功率測試的準確,主要因素有以下幾點:
1、測試儀器要有足夠的精度;
2、測試儀器要有足夠的帶寬,并且保證在高頻下的測量精度;
3、采集高頻電壓、電流時,需要保證電壓和電流信號的同步性,避免因為信號不同步帶來角度差,導致結果測試不準確。
[圖1 ZUS6000示波器]
ZUS6000系列本身采用了12bit的ADC,采樣率高達5GSa/s,測量帶寬可以支持1GHz,其測量精度可以達到0.5%,并且有足夠的帶寬保證,因此可以保證ZUS6000在無線充電頻率段的信號準確測量。
ZUS6000測試大電壓時需要外接差分探頭,測試電流信號時,需要外接電流探頭,不同通道連接外置探頭,會因為探頭本身的頻率相位影響和信號傳輸影響,帶來探頭間的相位偏移,因此如何消除探頭間的相位偏移,是ZUS6000準確測試無線充電的關鍵因素。
相位偏移校準:ZDF1000校準夾具應用
ZUS6000示波器測試無線功率時,主要的偏移誤差來自于探頭。探頭包括差分探頭和電流探頭兩類。如致遠ZP1500D差分探頭和ZCP30探頭,從兩款探頭參數可以看到,ZP1500D帶寬為100MHz,ZCP30帶寬為50MHz。而目前無線充電常用到的信號頻率為幾十KHz到幾MHz范圍,其頻率大大小于探頭本身帶寬。而從探頭本身的幅頻特性來看如圖2所示,探頭測試的信號要在10MHz以上才開始出現衰減。因此針對無線充電信號,探頭本身不會產生衰減及明顯的角度誤差。
因此在采用ZUS6000示波器配套高頻差分探頭和電流探頭測試無線功率時,主要的相位偏移來自于探頭本身的信號傳輸過程,故如何消除探頭信號傳輸帶來的相位偏移,決定了是否能夠準確測量無線充電功率的主要因素。
[圖2 探頭幅頻特性圖]
為了消除探頭因傳輸帶來的相位偏移,我們提供了偏移校正夾具ZDF1000,如圖3所示,該夾具通過USB接口供電,使用簡單方便,是高速器件功耗測量的必備工具。
[圖3 ZDF1000偏移夾具]
相位校準操作步驟:手動校準與自動校準方法
為了更好的展示校準夾具的工作效果,我們以ZUS6104配合ZDF1000為例進行偏移校正的步驟效果演示。
手動相位校準步驟
1、 根據實際的電壓探頭和電流探頭的連接情況,打開相應通道并設置探頭類型和探頭比率。
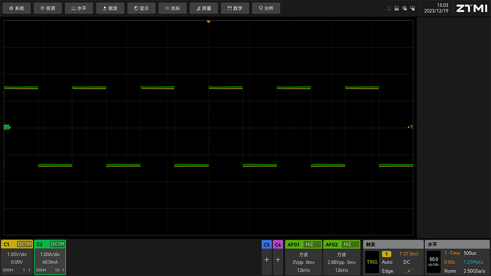
2、 按下"Auto Setup"按鍵,并通過捕獲模式菜單把捕獲模式設置為平均模式,平均次數設置為16,"SMALL LOOP 電壓"和"SMALL LOOP 電流"的信號波形如圖4所示。
[圖4 電壓電流波形圖]
3、 調節電壓通道和電流通道的垂直縮放和垂直偏移旋鈕,使波形幅度盡可能大但不超出屏幕的范圍,同時通過垂直偏移旋鈕,使電壓和電流波形的中間點靠近屏幕的中間。如圖5所示。
[圖5 調整居中波形]
4、 調節水平縮放旋鈕,使電壓波形和電流波形之間的延時能夠充分地展現出來。如圖6所示。
[圖6 有延遲效果波形]
5、 調節非觸發通道的延遲校正時間,使電壓和電流波形的中間點重疊于屏幕的中間。調節菜單界面及調節延遲校正時間后的電壓、電流信號波形如圖7所示。
[圖7 延遲調節菜單]
自動相位校準步驟
除以上手動校準偏移操作外,ZUS6000還支持自動偏移校準,自動偏移校準的第一步與手動校準第一步相同,將電壓電流波形呈現在屏幕上。
之前點擊"分析"菜單,找到**"電源分析"**功能,打開電源分析功能后,在彈出的菜單中選擇校準功能,點擊"校準"開始校準,如圖8所示,校準后波形會自動呈現在屏幕上,如圖9所示。
[圖8 自動校準偏移設置]
[圖9 校準后的波形]
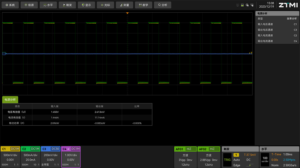
電源分析功能:效率測試、諧波分析、功率參數測量
探頭傳輸延時導致的相位偏移校準完成之后,就可以正常使用ZUS6000示波器配合差分探頭和電流探頭進行無線信號的功率測試了。為了更好的實現功率測試功能,ZUS6000配備了專用的電源分析功能,如圖10所示。我們開啟效率分析功能,顯示結果如圖11所示,可以看到輸入端的電壓、電流、功率和輸出端的電壓、電流、功率,以及轉化效率參數。如果打開諧波功能,如圖12所示,可以看到各次諧波參數,并且可以看到有功功率、無功功率、視在功率等全面的功率參數。
[圖10 電源分析功能]
[圖11 功率效率顯示]
[圖12 諧波分析顯示]
總結:ZUS6000智能應用示波器的平臺化優勢
ZUS6000是致遠儀器推出的12bit的高分辨智能應用示波器,不僅具備大存儲、多行業分析等基本功能,還首次提出了X-Key和自定義G鍵,邁向智能化測試分析應用方向。為了可以開發出更多的行業應用測試,ZUS6000基于Python腳本運行,可以實現更加靈活的軟件功能擴展,實現儀器產品的平臺化。
