CAN差分波形的邊沿如此緩慢怎么辦?
2025-01-21
現場測試數據
圖1是通過ZPS-CANFD采集的現場CAN網絡的報文和波形數據,從報文數據觀察,全是錯誤幀,說明CAN網絡出現了通信錯誤,再結合波形數據看,發現CAN差分波形邊沿很緩,呈現出鐮刀的形狀,我們知道,邊沿的緩慢程度會影響顯隱性電平的識別,所以出現這樣的波形狀態會容易使CAN網絡出現通信錯誤。
通過ZPS的【總線邊沿測量】功能對CAN差分波形的上升、下降時間進行測量,可以看到上升、下降時間統計結果約300ns、600ns。
原因排查
我們知道,CAN總線差分電平由低變高(波形邊沿上升)時,收發器的Q1、Q2是導通的,此時導通的收發器給電容充電,CAN總線差分電平由高變低(波形邊沿下降)時,收發器的Q1、Q2是不通的,電容通過終端電阻放電。
根據電容的充放電時間公式可知,當R確定的情況下,C越大,τ值就會越大,進而會導致上升、下降沿緩慢的現象。
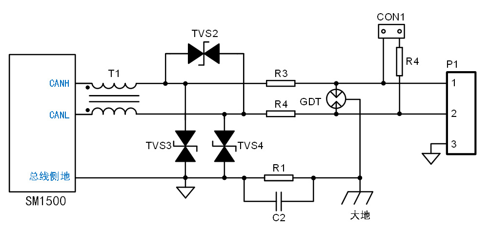
通過對現場CAN網絡上的節點電路檢查,發現收發器外圍電路存在TVS管、氣體放電管等保護器件,如圖4所示,TVS管本身存在結電容,如果選型較大結電容的TVS管,如電容值在幾百到上千皮法,那總線組網后結電容會累計增加,高速通訊的時候總線就會出現邊沿緩慢的波形。
優化后的結果
將CAN節點收發器外圍電路中的TVS管去掉后,再對現場數據進行采集,從波形和對邊沿時間的測量結果看,邊沿緩慢現象已得到改善,通信也正常了。如圖6所示,優化后的CAN差分上升由300ns左右減少到了30ns左右、下降時間由600ns左右減少到了40ns左右。
CAN網絡邊沿緩慢原因排查建議
當CAN網絡出現邊沿過于緩慢時,可以從以下幾個方向進行排查:
1、檢查CAN節點電路是否添加了等效電容過大的保護器件,如上述案例;
2、檢查CAN節點電路是否添加了過大的CAN對地、CANL對地、CANH對CANL電容;
3、檢查CAN網絡是否選用了寄生電容過大的通信線纜。
